Tak příští sezonu - arrivederci.
topení
03.11.2009 17:29
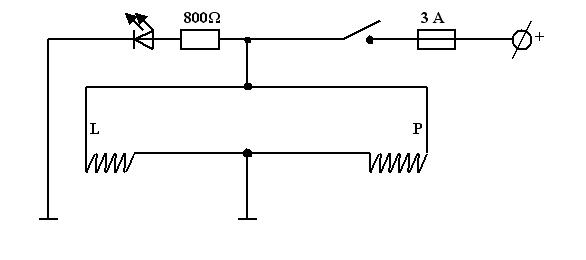
Vyhřívané rukojeti v amatérském podání :-)
K sundání gripů stačí použít kompresor a trošku vzduchu fouknout pod gumu- jdou dolu jako nic. Jako samotné „uhlí v kotli“ jsem použil odporový drát tl. cca 0,25mm opletenej jakousi tkaninou asi 6Ω/m (jedinej co v obchodě měli). Pro Jawu na P. stranu řídítek "plyn" jsem namotal asi 3.m drátu a na něj jednu vrstvu tenký papírový lepící pásky (používají malíři pokojů) kvůli jednodušímu nasazování rukojetí. L.strana "spojka" jen asi 2,5.m(pro Kawu cca 2,5 m na každou stranu) drátu, nemotá se na plast jako u plynu, ale na kov- větší tepel. ztráty- vyšší výkon. Tady sem dal pásku i pod vinutí- tepelná a el. izolace proti kostře.Přívodní napětí tenkou dvojlinkou (u plynu s menší rezervou- otočná rukojeť) přes vypínač s LEDkou sem bral z parkovačky (abych to někdy nezapomněl vypnout a svítit se stejně musí). Pro jistotu je vřazena pojistka 3.A . Rukojeti se dají nazpátek stejně jako dolů. Poťák sem nezkoušel, ale určitě by to šlo, takhle to ani nepálí, ani nestudí. Největší problém je s výstupem drátů z gripů, je třeba je dobře upevnit a zároven jim dát rezervu pro otáčení plynu.
Chce to nejdřív experimentovat "nasucho" a potom to zabudovat na fest. Taky to určitě chce na řídítka chrániče rukou. Dával sem to už na tři moto a zatím OK.
Závěrem jen tolik: je to hodně laciná verze a už bych se s tím nedrbal, zvlášť při dnešních cenách hotových výrobků.
—————
